传的完整图片不清晰,只能分开了,其他部分坏的不多,电流部分最多。在一个就是主芯片了。
提取码q3ti

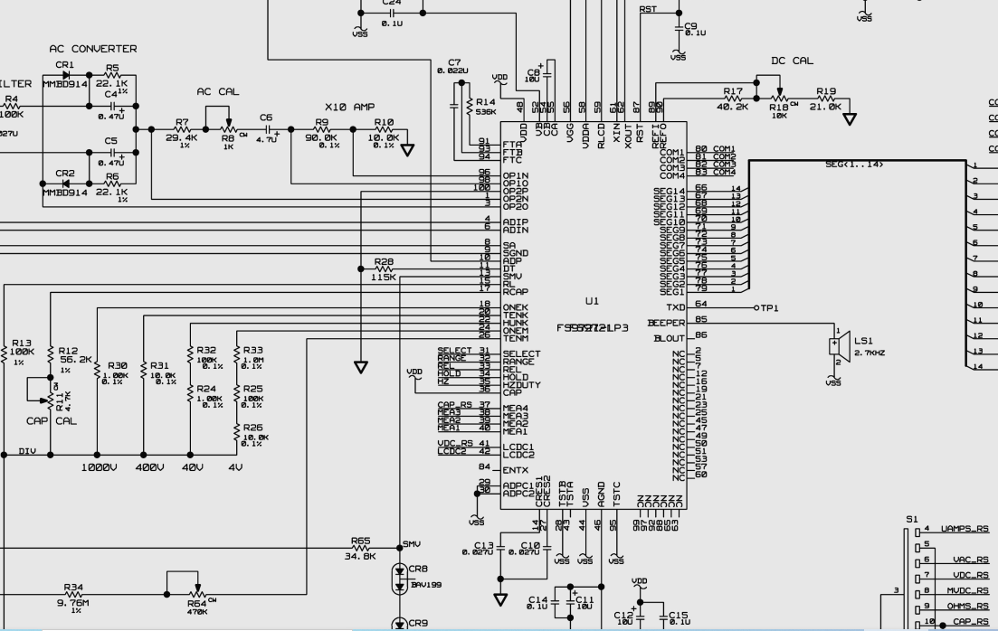
电流检测电路

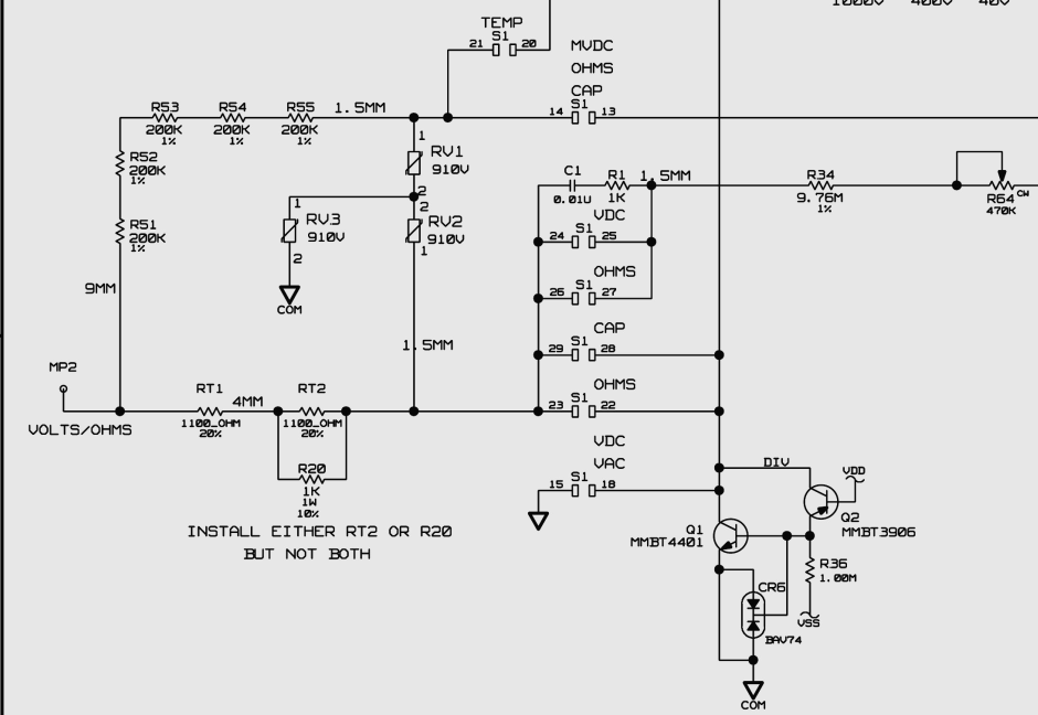
温度检测电路

电阻电压检测电路

单片机电路
fluck万用表用的比较多,主要是比较省电,两节5号南孚电池天天用还可以用一年,精度也很好,手里有两块,一个15B一个17B。这个表电池漏液坏的比较多,把电池弹片腐蚀断,其他就是人为损坏了,表笔插反,烧保险,原厂的保险还是比较贵的,快速熔断的。很多主芯片都是牛屎封装的,坏了可以换贴片的芯片。收藏下图纸方便以后用。
传的完整图片不清晰,只能分开了,其他部分坏的不多,电流部分最多。在一个就是主芯片了。
提取码q3ti

电流检测电路

温度检测电路

电阻电压检测电路

单片机电路
fluck万用表用的比较多,主要是比较省电,两节5号南孚电池天天用还可以用一年,精度也很好,手里有两块,一个15B一个17B。这个表电池漏液坏的比较多,把电池弹片腐蚀断,其他就是人为损坏了,表笔插反,烧保险,原厂的保险还是比较贵的,快速熔断的。很多主芯片都是牛屎封装的,坏了可以换贴片的芯片。收藏下图纸方便以后用。